RELiON offers 12-Volt and 24-Volt lithium batteries. When the first is getting low on charge just switch the leads to the second battery.
Charging a trolling battery from your 24 and 36 volt wiring diagrams parallel serial battery wiring basics 12v 24v wiring with 2 batteries the.
12 volt trolling motor 2 batteries. How To Install A Third Battery Two Boat System. B A T E R Y W I N G D M 2 4 V Zonealarm Results. Best Trolling Motor Battery To In 2020 Reviews Ratings.
Parallel serial battery wiring basics parallel serial battery wiring basics charging a trolling battery from your outboard 24 and 36 volt wiring diagrams trollingmotors net. September 20 2014 at 642 pm 1456671. I know that you a can use 2 batteries for a 12v trolling motor by putting them in parallel but my question is more on the battery types.
I have a 3yr Interstate group 27 deep cycle battery used for the trolling motor now someone gave me an Alphacell gel 165GXL today that is next to new. I want to run two deep cycle batteries together on either the trolling motor or as a starting battery for the motor both of which are 12volt. What are the pros and cons and the the correct pattern to hook it up.
To Pos and Neg. And I should have a 2 battery 12 volt battery bank. I had a 24v TM that kicked the bucket and for financial reasons replaced it with a smaller 12v TM.
Now I have 2 trolling motor batteries. Is it possible to wire the 2 batteries together and function as 1 big 12v battery. I had a 24v TM that kicked the bucket and for financial reasons replaced it with a smaller 12v TM.
Now I have 2 trolling motor batteries. Is it possible to wire the 2 batteries together and function as 1 big 12v battery. This VMAX MR127-100 12V 100Ah AGM Deep Cycle Marine Battery is a highly efficient 12-volt battery with a 100-amp hour rating.
Its a 27 size battery that offers high deep cycle performance even to the most demanding of trolling motors. The voltage of your trolling motor will determine how many 12 volt batteries you need. A 12V trolling motor requires just one 12V battery.
For 24V and 36V systems you will need to connect 2 or 3 batteries in series. More batteries of the same. Optima blue top batteries are sealed spill-proof matinee free and can be mounted in many positions.
This is a great battery choice when it is used primary starting battery and to run electronics like a trolling motor lights speakers and live wells. Optima D27M Deep Cycle Marine Battery 66-Ah. How To Hook Up Dual Batteries For Trolling Motor.
Uncategorized May 20 2021 0 masuzi. Charging a trolling battery from your 24 and 36 volt wiring diagrams parallel serial battery wiring basics 12v 24v wiring with 2 batteries the. Charging A Trolling Battery From Your Outboard.
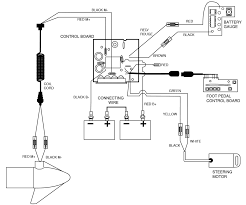
24 And 36 Volt Wiring Diagrams Trollingmotors Net. 1 12volt trolling motor and 2 batteries. Ive got a dual bank automatic charger on my boat.
My group 24 cranking battery is on the first bank and I have two identical group 27s in parallel on bank 2 for the trolling motor. All the grounds are connected together. Ive run this setup for 4 years now with no problems.
Qty 2 VMAX MR127-100 Two Group 27 12 Volt 100Ah AGM Deep Cycle Marine Batteries Compatible with 24 Volt trolling Motors 24V 100Ah AGM Battery Kit 49 out of 5. How to Connect Batteries in Series 24 Volt Systems 2 batteries. Two 12-volt deep cycle batteries are required.
Make sure that the trolling motor is switched to the off position or speed selector set to 0. Wire in series only as directed in wiring diagram to provide 24 volts. This kit includes 2 lithium Iron 12 Volt 100AH batteries in series that increase power and reduce weight.
This 24 volt lithium trolling motor battery package gives you the power to fish from morning to night. Engineered with Lithium Iron Phosphate LiFePo4 technology this battery has twice the power half the weight and lasts 4 times longer. Battery-powered accessories on a boat often operate on something other than a 12-volt power source.
For example trolling motors often need either 24 or 36 volts. Most easily available batteries do not normally come in those voltages. So you can connect two or more in a series in order to double or triple your voltage.
A lithium battery such as 12 volt 100Ah mini kota battery weighs only 28 lbs. This is the battery the best lithium trolling motor battery that will outperform. By switching your trolling motor battery to lithium you will reduce the boats carrying weight by 197 lbs.
A 12v trolling motor is easier to use and its less costly than a 24v trolling motor. But on the flip side 12v trolling motors have less run time than 24v trolling motors. Another major difference is that a 24v trolling motor has more output in terms of power than a 12v trolling motor.
So if you plan on fishing on a lake or river that doesn. Depending on the voltage of your trolling motor you will need a different number of 12-volt batteries. A 12V trolling motor requires just one 12V battery.
For 24V and 36V systems you will need to connect 2 or 3 batteries in series. More batteries of the same size mean more capacity and more range available. Get the necessary tools and equipment to wire your 24v trolling system.
In this case you need two 12v deep cycle batteries a battery connector cable and a trolling motor power cable. Check the voltage on each battery and to do this you need a multimeter. You can choose to skip this step.
Minn Kota motor will run with any deep cycle marine grade 12V batterybatteries. For more information review these instructions on Selecting the Correct Batteries or watch the video below. Tagged Batteries Battery Chargers General Rigging Trolling Motors Troubleshooting.
Sounds like you are using a 12 volt motor. I dont see any advantage to hooking it up to 2- 12 volt batteries in parallel. If you have 2 batteries on board keep one as a spare.
When the first is getting low on charge just switch the leads to the second battery. RELiON offers 12-Volt and 24-Volt lithium batteries. If you have a 12-Volt trolling motor then you can choose from several 12-Volt options.
If you have a 24-Volt motor you can use 2 12-Volt batteries in series or a single 24-Volt battery and if you have a 36-Volt motor you can use 3 12-Volt batteries in series. Now that we get the best 24V trolling motor and grasped the knowledge as to how to build a 24V trolling motor system with 12V batteries our next step is to get the batteries. Generally we recommend using Lead Acid or AGM deep cycle batteries with at least a 100-amperage hour rating usually group 27 size battery.